LillyAllenDesigns
Jasminsmagicworld
BarkalooDesign
Artiststas
AdoDesignShop
JahusDesignShop
BundleAndBundleShop
HRA Design Shop
FaDigitalArtStudio
Enoddigitalart@gmail.com
Afrowomandigitalshop@gmail.com
OliviaCreatesArt
CowGirlArtShop
HowdyJamesFarm
TumblerDesignByShophia
RanaPortraitStore
CTS Tumbler Store
Zillion Design Studio
NancyCooperArtShop
Texasbilliewilder
MaliasSmallBusiness
Muks_Shop
Rvexell
NReaL
Oittostudio
Nteklah
Melllux
PUBLICTEES
Gear_desain
Erdiyan
C
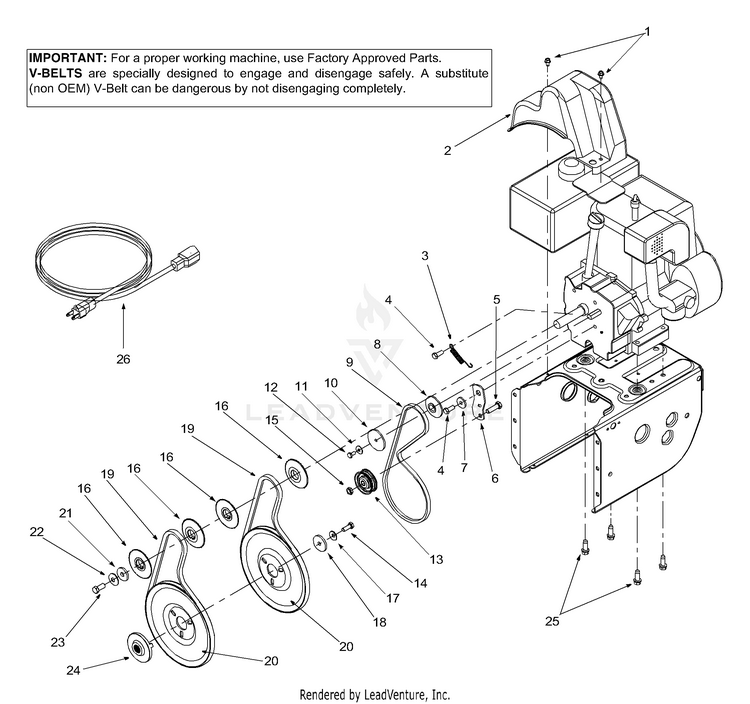
Yard Machines 31AE6LFH718 Snowblower OEM Replacement Parts From eReplacementParts Very well made.
Yard Machines 22 Two Stage Snow Thrower 31A 3AAD752 MTD Parts Very well made.
Yard Machines 31BE660F129 2003 Snow Thrower Partswarehouse Very well made.
Cub Cadet MTD Yard Man Yard Works Snowblower Parts Canada Very well made.
How to start a MTD yard machine snow thrower Very well made.