LillyAllenDesigns
Jasminsmagicworld
BarkalooDesign
Artiststas
AdoDesignShop
JahusDesignShop
BundleAndBundleShop
HRA Design Shop
FaDigitalArtStudio
Enoddigitalart@gmail.com
Afrowomandigitalshop@gmail.com
OliviaCreatesArt
CowGirlArtShop
HowdyJamesFarm
TumblerDesignByShophia
RanaPortraitStore
CTS Tumbler Store
Zillion Design Studio
NancyCooperArtShop
Texasbilliewilder
MaliasSmallBusiness
Muks_Shop
Rvexell
NReaL
Oittostudio
Nteklah
Melllux
PUBLICTEES
Gear_desain
Erdiyan
C
954 05106A Belt V Type A SEC for 12ABW32G897 12ABW35T799 12ABW35T799 12ABW32G766 Very well made.
Troy Bilt 12ABW32G766 TBWC28 2021 Engine Shroud Very well made.
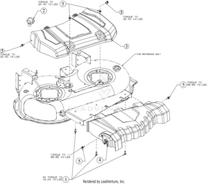
Troy Bilt 12ABW32G766 TB WC28 2016 Parts Diagram for Front Rear Wheels Very well made.
Troy Bilt 12ABW32G766 TB WC28 2016 Self Propelled Mower Partswarehouse Very well made.
Amazon Mower Blades Control Cable 946 05250 746 05250 Fit for CC 600 CC600 247397900 12ABW32G897 12ABW35T799 12ABW32G766 12ABW34K711 12ABW62G766 Lawn Mower Patio Lawn Garden Very well made.